江南官方(中国)总部
江南官方(中国)总部中心
关于我们
新闻资讯
合作伙伴
联系我们
中文
EN
冷凝风机
江南官方(中国)总部
高性能无刷风机
温控总成
江南官方(中国)总部
-
江南官方(中国)总部中心
-
冷凝风机
AXIAL FANS
冷凝风机
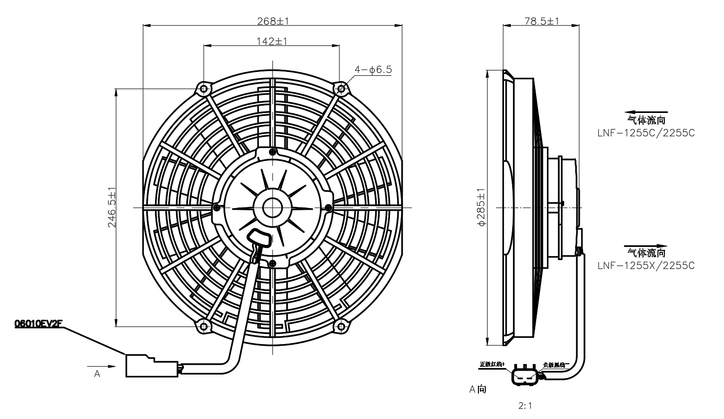
型号:LNF-2255C/X
电压:12V/24V
电流:≤10A/6A
风量:≥1000m³/h
适用车型:Bar、Construction Machinery
立即咨询
150-5088-5179
尺寸规格图
型号
电压
电流
风量
适用车型
LNF-2255C/X
12V/24V
≤10A/6A
≥1000m³/h
Bar、Construction Machinery
返回列表
上一篇:
LNF-2385XD
下一篇:没有了
地址:江苏省丹阳市访仙镇窦庄杨城村
电话:+86-511-80267771
邮箱:dyyfdq@126.com
关于我们
公司简介
荣誉资质
生产车间
江南官方(中国)总部中心
冷凝风机
江南官方(中国)总部
高性能无刷风机
温控总成
新闻资讯
公司动态
行业资讯
客服中心
Copyright © 江南官方(中国)总部 All Rights Reserved.
苏ICP备2022016789号
技术支持:丹阳奇点科技
半岛在线
|
乐竞网页版入口
|
多宝在线
|
首页
|
leyu·乐鱼(中国)体育官方网站
|
AK集团官网(中国)官方网站
|
江南在线
|
MK在线登录
|
江南网·官方端网站
|